产品中心

产品中心

工商信息

许昌创继电气有限公司

通过真实性核验手机验证
成立时间:
许昌创继电气有限公司
注册资本:
500万元
所在地区:
河南许昌市
主营产品:
许继DTZ566国网三相0.5S级智能电能表
视频分类
联系我们

联系人:石经理

邮箱:2331035343@qq.com

电话:15537437286

地址:河南许昌市瑞贝卡大道中段

产品展示
许继XJPM633 XJPM733 XJM9599 485通讯多功能电能表
许继XJPM633 XJPM733 XJM9599 485通讯多功能电能表
许继XJPM633 XJM9599三相多功能电力仪表
许继XJPM633 XJM9599三相多功能电力仪表
许继电源FZB-21/21 FZB-22/21 FZB-23/11电压表电流表
许继电源FZB-21/21 FZB-22/21 FZB-23/11电压表电流表
许继FXJ-21 FXJ-22 WXJ-15电池电压内阻巡检模块
许继FXJ-21 FXJ-22 WXJ-15电池电压内阻巡检模块
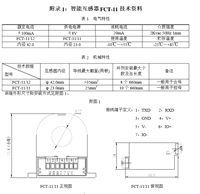
许继FCT-31/32/33 FCT-12G互感器
许继FCT-31/32/33 FCT-12G互感器
许继DAM05/DVM05电流表电压表
许继DAM05/DVM05电流表电压表