联系人:周润连
邮箱:3007723194@qq.com
电话:13482141563
地址: 中国 上海 嘉定区上海市嘉定区育绿路253号
| 品牌 |
安科瑞 |
型号 |
PZ96L-DE/C |
| 类型 |
电子式电能仪表 |
|
安科瑞PZ系列太阳能发电专用直流检测仪表 直流屏供电表
一、产品概述
PZ系列光伏太阳能专用直流功率表可测量直流系统中的电压、电流、功率、正向与反向电能。即可用于本地显示,又能与工控设备、计算机连接,组成测控系统。 仪表可具有RS-485通讯接口,采用Modbus-RTU协议;可带模拟量输出、继电器报警输出、开关量输入/输出。根据不同要求, 通过仪表面板按键,对变比、报警、通讯、开关量输出进行设置与控制。PZ系列直流表是针对直流屏、太阳能供电、电信基站、充电桩等应用场合而设计的。
二、型号说明

功能特点:
①可测量电压、电流、功率,能计量正、反向有功电能,累计存储可达12个月,并具有功率方向识别与指示功能;
②可选配分时复费率电能计量功能,支持4费率,两套费率时段切换,可通过参数设置软件修改时段费率参数;
③具有带液晶显示,支持常用的电压、电流、功率、电量以及提示;
④带一路RS-485通信接口,支持Modbus协议;
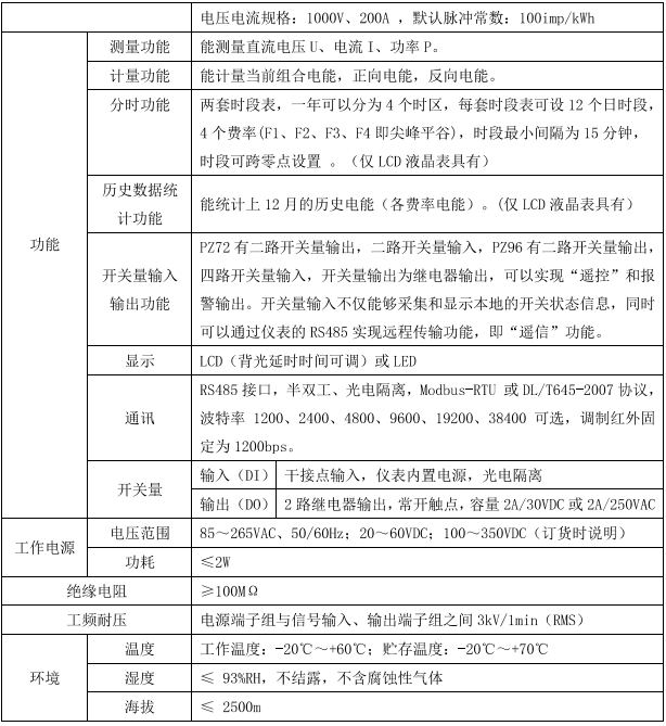
三、技术指标

四、安装指南
4.1、外形及安装尺寸
电流信号采样线须使用屏蔽双绞线。
(一)使用分流器采样电流时,分流器与仪表之间的接线如图 4 所示:
图4:外置分流器接线示意图
注:若分流器安装于 DC+时,订货前订单备注共正接法。
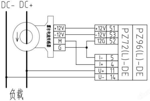
(二)使用霍尔电流传感器采样电流时,霍尔电流传感器(单独供电)与仪表之间的接线如图 5 所示:
图 5 使用霍尔电流传感器典型接线示意图
注:图 5 为使用霍尔电流传感器的典型接线示意图,仅做参考,如与实际需要使用的霍尔电流传感器接线图 不符,请以实际需要使用的霍尔电流传感器的说明书中所示的接线图为准。
(三)使用霍尔电流传感器采样电流时,霍尔电流传感器(由仪表的选配功能:12V 电源输出供电)与仪表 之间的接线如图 6 所示: 图 6 中所示的接线方式仅适用于供电电源范围包含±12V 的霍尔电流传感器。
注:在实际使用过程中,当电压与电流信号全为正或负值时,功率将表示为正,电能用 kWh 表示;当电压 与电流一正一负时,功率将表示为负,电能用 kWh 表示。电能采用正负分开计量的方式,之间互不影响。
当前正向总电量、当前正向总尖电量、当前正向总峰电量、当前正向总平电量、 当前正向总谷电量、当前反向总电量、当前反向总尖电量、当前反向总峰电量、 当前反向总平电量、当前反向总谷电量、当前时间(年月日)、当前时间(时 分秒)、电压、电流、功率、版本号。
五、产品资质

安科瑞PZ系列太阳能发电专用直流检测仪表 直流屏供电表