联系人:宁经理
邮箱:ninglingling@ndttech.net
电话:18874824200
地址: 湖南长沙市高新区文轩路27号麓谷企业广场A4栋507
富士进口 AE303S (标准、单端)声发射传感器
日本富士的声发射传感器生产开始于1975年,由于传感器所需的压电陶瓷材料是富士自己研发生产的,而且富士只专注于生产声发射传感器而不生产声发射仪器,因此其声发射传感器性能非常优异,除了向客户直接销售声发射传感器之外,富士还给譬如德国华伦Vallen等声发射仪厂家提供OEM贴牌生产。
鹏翔科技于2005年7月20日成立于北京,是一家专注于声发射技术研究及产品研发生产及销售的无损检测仪器公司,自2007年开始成为日本富士陶瓷株式会社的中国总代理,可为国内广大客户提供fujicera原装进口的高品质声发射传感器。
AE303S实物照片
AE303S技术参数

AE303S频率曲线

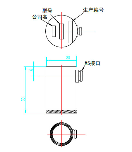
AE303S外观尺寸

富士陶瓷(Fujicera)其他传感器产品

富士陶瓷株式会社成立于1975年,四十多年一直从事压电陶瓷及压电传感器的研制与生产,压电陶瓷元件和传感器均采用自动化生产先,目前一共有6个工厂,可以向全球用户提供高品质的压电传感器及压电陶瓷元件。


