联系人:徐经理
邮箱:market@hitepower.com
电话:18605369790
地址: 山东潍坊市奎文区山东省潍坊市滨海经济技术开发区
| 型号 |
PLT-460KW |
类型 |
自启动型 |
| 冲程 |
四冲程 |
冷却方式 |
水冷 |
| 励磁方式 |
永磁式 |
加工定制 |
是 |
| 相数 |
三相 |
频率 |
60 |
| 转速 |
1800 |
绝缘等级 |
H |
| 防护等级 |
IP23 |
产品认证 |
IS9001 |
| 重量 |
600 |
输出功率 |
400 |
| 是否进口 |
是 |
货号 |
PLT-460KW |
| 系列 |
PLT-460KW |
是否跨境货源 |
否 |
| 厂家 |
山东普利达新能源科技有限公司 |
|
柴油发电机组接线方法 潍坊厂家供应460kW柴油发电机组 备用电源
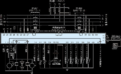
柴油发电机组控制器电路接线方法:
HGM6310G与HGM6320G相比少一个市电电压三相输入端子。HGM6310G、HGM6320G控制器背面板如下:
柴油发电机组的主要用途:
柴油发电机组是一种中小型的发电设备。它具有机动灵活、投资较少、启动方便等优点,广泛应用于通讯、采矿、筑路、林区、农田灌溉、野外施工和国防工程等各部门。柴油发电机组也是自备电站中的一种交流供电设备。
柴油发电机组适用于市电电网不能输送到通信局站、矿区、林区、牧区和国防工程等场合,要求能独立供电,作动力和照明的主电源。对于市电的地区,而供电可靠性要求高,不允许停电和要求几秒内能讯速恢复供电的单位,例如通信、银行、宾馆、机场等重要部门,可作为应急备用电源,一旦市电停电能迅速提供稳定的交流电源。
对柴油发电机组的主要要求是,随时能自动启动发电,运行可靠,保证供电的电压和频率,满足机电设备的要求。

山东普利达能源科技有限公司坐落于中国动力城—山东省潍坊市滨海经济技术开发区。公司名称来源于意大利语 EnergiaPulita(清洁能源),主要从事清洁能源和可再生能源的研究,开发及利用。
公司占地26000平方,拥有现代化标准生产厂房8000平方,主要生产天然气.沼气。等燃气发电机组,热电联产机组,生物质气化成套发电设备。
公司全系产品均获得欧盟CE认证,并成功销往英国,意大利,西班牙,美国以及泰国,斯里兰卡,印度,巴西,智利等国家。优异的产品质量和可靠的售后服务获得海内外客户的一直好评。
公司坚持’普通常遭价值“,”利益共赢共享“,”达则服务社会“的理念,为节能减排及循环经济发展而持之不渝的努力。
潍坊厂家供应10kW——2000kW柴油发电机组(可加工定制)
普利达柴油发电机组图片:










