联系人:杨明安
邮箱:sn@jssenen.com
电话:15805143879
地址: 江苏南京市六合区化学工业园区天圣路111号
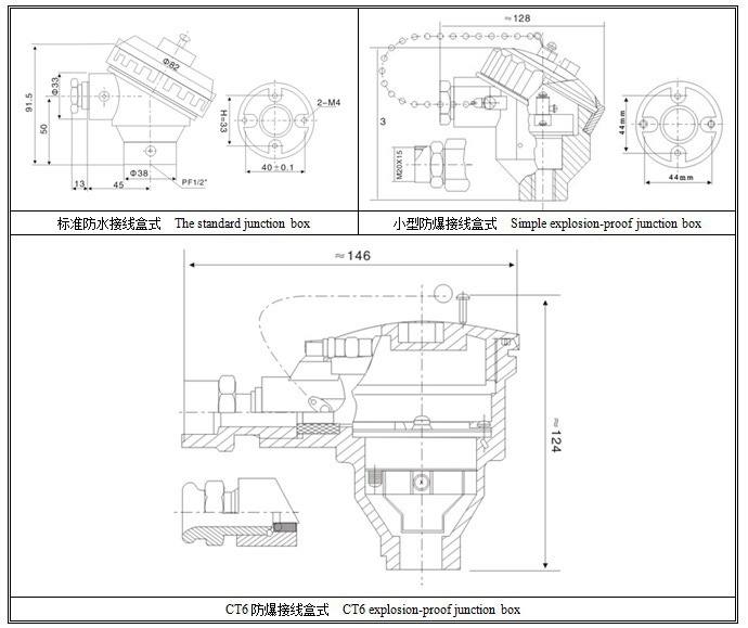
一、产品简介 Product introduction
铠装热电偶具有能弯曲、耐高压、热响应时间快和坚固耐用等许多优点,它和工业用装配式热电偶一样,作为测量温度的传感器,通常和显示仪表、记录仪表和电子调节器配套使用,同时亦可以作为装配式热电偶的感温元件。它可直接测量各种生产过程中从0~800℃范围内的液体、蒸汽和气体介质以及固体表面的温度。
Armored thermocouple can bend, resistance to high pressure, fast thermal response time Many advantages and durable, Assembly type thermocouple it and industrial, As a measurement of the temperature sensor, Usually, and display instruments, recording instruments and electronic supporting the use of regulator, At the same time, also can be used as a temperature sensing element assembly type thermocouple. It can be directly measured in various production process from 0~800 ℃ range of liquid, steam and gas solids and surface temperature.











