联系人:刘丹
邮箱:2881392118@qq.com
电话:18702111763
地址: 中国 上海 嘉定区马东工业园育绿路253号
安科瑞AMC16ZH柜多回路监测仪表测量21回路出线电参量及谐波带21路DI开关量 1路DO
1AMC16系列数据中心能耗监测装置
1.1 概述
随着数据中心的迅猛发展,数据中心的能耗问题也越来越突出,有关数据中心的能源管理和供配电设计已经成为热门问题,高效可靠的数据中心配电系统方案,是提高数据中心电能使用效率,降低设备能耗的方式。要实现数据中心的节能,首先需要对每个用电负载实现精确的监测,而数据中心负载回路非常的多,传统的测量仪表无法满足成本、施工等多方面的要求,因此需要适用于数据中心集中监控要求的多回路监控装置。
安科瑞公司AMC16系列数据中心能耗监测装置是一款专门针对于数据中心服务器电源管理设计的测量装置。该装置设计小巧,在传统仪表的体积上实现了监控回路的高度集成。
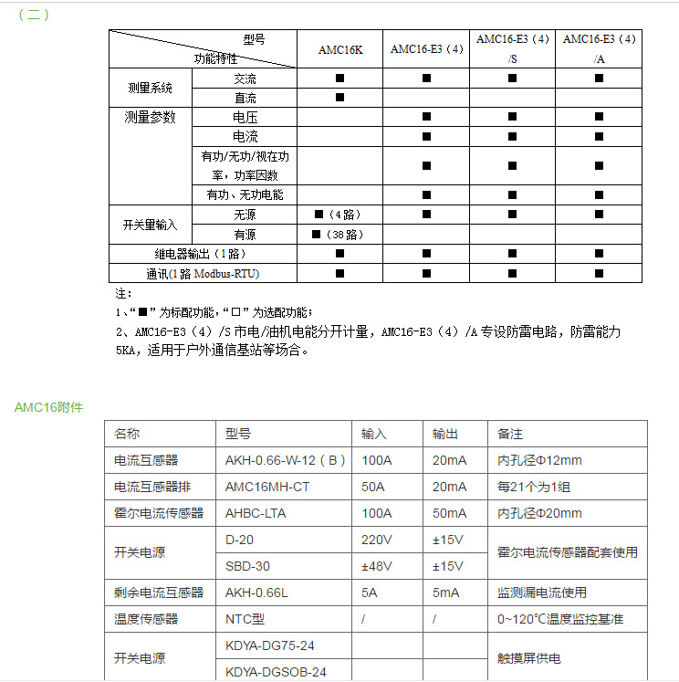
1.2 柜多回路监测仪表技术指标
该系列产品设计小巧,适应数据中心负载回路非常多的特点,实现监控回路的高度集成,能对数据中心中每个交流或直流负载实现精确的监测。










