联系人:辅先生
邮箱:18962006835@163.com
电话:18962006835
地址: 中国 江苏 盐城市盐城市嘉元广场东区幢北1518室(5)
一、JBF5155输入/输出模块功能特点
1、JBF5155输入/输出模块配接北大青鸟JB-QB-JBF5010型火灾报警控制器,只需两线工作即可输出有源信号实现对被控设备的启、停控制,同时还可以实现主机与被控设备之间线路状态的监视功能。
2、JBF5155输入/输出模块应答信号采用无源闭合信号。
3、通过主机端设置,模块可实现脉冲点动输出或持续输出,输出形式为DC.24V。
二、JBF5155输入/输出模块技术指标
型号:JBF5155
工作电压:DC19-28V 控制器提供
工作温度:-10~+50℃
贮存温度:-20~+50℃
相对湿度:≤95%(40±2℃)
监视电流:≤0.3mA(24V)
动作电流:≤70mA (24V)
确认灯:正常监视状态:输入动作灯红色闪亮,输出动作灯不亮
故障状态:输入动作灯不亮,输出动作灯不亮
动作状态:输入动作灯红色常亮,输出动作灯红色常亮
输出容量:C1 启动输出、C0 停止输出 DC.24V/80mA
外形尺寸:85mm 长 × 85mm 宽 ×42mm 高
线制2 线制 有极性
三、JBF5155输入/输出模块结构特征、安装与布线
1、配接JB-QB-JBF5010型火灾报警控制器多线手动控制盘,可通过主机设置,输出持续/脉冲DC.24V信号。
2、模块使用2线制,区分正负极性,建议线型ZR-RVS-2×1.5mm2,通讯距离≤1500米。
3、输出触点容量为:C1启动输出、C0停止输出DC.24V/80mA。
4、被控多线设备的动作应答采用无源动合触点方式。
5、模块终端监视电阻:反馈端10KΩ/停止输出端3KΩ。

说明:
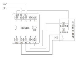
端子SL+(3)、SL—(2)接报警控制器,有极性;
AS(8)和GND(1,6,7)接回答(无源动合触点),连接在AS和GND上的监视设备的动合端必须并联10kΩ终端电阻。
C1(9)和GND(1,6,7)接启动继电器线圈两端,继电器线圈阻抗要求300-5KΩ;若不接继电器,需接3KΩ终端电阻。
C0(10)和GND(1,6,7)接停止继电器,线圈两端继电器线圈阻抗要求300-5Kohm;若不接继电器,需接3KΩ终端电阻。
四、JBF5155输入/输出模块应用实例

JBF5155输入/输出模块脉冲点动输出
说明:
此接线方式下JBF5155输入/输出模块脉冲点动输出,按下主机相应操作键后,启动(端子9)、停止(端子10)分别输出两组DC.24V脉冲信号;适用于自身完成启动自保持的设备控制箱,需具备启动、停止两组中间继电器。继电器线圈阻抗要求300-5KΩ。
JBF5155输入/输出模块持续输出

说明:
此接线方式下JBF5155输入/输出模块持续输出,启动时(端子9)持续输出DC.24V,停止状态下DC.24V撤销;适用于自身不完成启动自保持的设备控制箱,只具备一组中间继电器。继电器线圈阻抗要求300-5KΩ。
五、JBF5155输入/输出模块输出方式设置方法
1、该模块的输出方式可以通过更改控制器“设置多线登记及故障检测”菜单下的“输出状态”进行设置,其中“0”代表持续输出,“1”代表单次输出。
2、持续输出时仅C1端子输出,“启动”状态输出24V电压,“停止”状态不输出。
3、单次输出时C1,C0都有输出信号,“启动”时C1输出24V电压,2秒后停止输出;“停止”时C0输出24V电压,2秒后停止输出。


六,应用方法:
1、端子示意图:
1、模块使用2线制,区分正负极性,建议线型NH-RVS-2×1.5mm2,通讯距离≤1500米。
2、输出触点容量为:C1启动输出、C0停止输出DC24V/80mA。
3、模块终端监视电阻:反馈端10KΩ/停止输出端3KΩ。

2,控制启动接线图:
JBF5155输入/输出模块控制启动时,停止输出端(端子7、10)需并联3KΩ的电阻,反馈端并联10KΩ的终端电阻。

3,控制启停图:
1、JBF5155配接JBF-11SF或JB-QB-JBF5010型火灾报警控制器多线手动控制盘,可通过主机设置,输出持续/脉冲DC24V信号。
2、JBF5155输入/输出模块的输出方式可以通过更改控制器“设置多线登记及故障检测”菜单下的“输出状态”进行设置,其中“0”代表持续输出,“1”代表单次输出。
3、持续输出时仅C1端子输出,“启动”状态输出24V电压,“停止”状态不输出。
4、单次输出时C1,C0都有输出信号,“启动”时C1输出24V电压,2秒后停止输出;“停止”时C0输出24V电压,2秒后停止输出。

此价格为网络报价,更多的资料和更优惠的价格请访问众安消防网

在搜索框里搜索该产品型号或直接电议王经理:,谢谢。