联系人:辅先生
邮箱:18962006835@163.com
电话:18962006835
地址: 中国 江苏 盐城市盐城市嘉元广场东区幢北1518室(5)
NOHMI能美FMH01ZZ消火栓按钮消报(地址型)
一,技术指标
执行标准:GB16806-2005
主信号线电压峰值:DC24V
监视电流:约250uA
报警电流:1.85mA
使用温度范围:-20摄氏度-50摄氏度
使用湿度范围:20%-95%
主体材料:ABS(颜色:红色)
重量:约185g
NOHMI能美FMH01ZZ消火栓按钮消报(地址型)
二,产品特性:
消火栓按钮FMH01ZZ是前面的免击破玻璃被强力按压进去,启动灯被点灯,控制启动消防泵。消防泵启动后将反馈信号传输到消火性按钮,并点亮反馈灯。前面的免击破玻璃复位后反复使用,无需每次更换。该消火性按钮可通过将S+, S-连接到地址设定器FZAO12设定十进制三位数的独立可编程地址码,无论连接在系统的任何部位都具有地址。
NOHMI能美FMH01ZZ消火栓按钮消报(地址型)
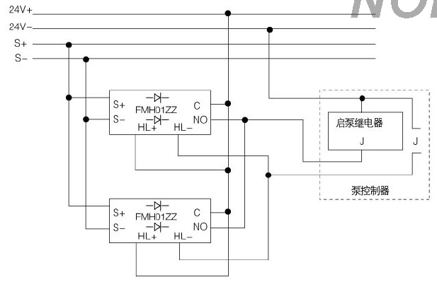
三,接线图:
以下为扩展阅读与本商品无关 NOHMI
考虑到对装置储罐组总容积已有所限制,装置储罐组的专用泵仅要求布置在防火堤外,其与装置储罐的防火间距可不执行5.3.5条的规定。
甲、乙类物品仓库火灾危险性大,其发生火灾事故后影响大,不应布置在装置内。为保证连续稳定生产,工艺需要的少量乙类物品储存间、丙类物品仓库布置在装置内时,为减少影响装置生产的不安全因素,要求位于装置的边缘。
可燃气体的钢瓶是释放源,明火或操作温度等于或高于自燃点的设备是点火源,释放源与点火源应有防火间距。分析专用的钢瓶储存间可靠近分析室布置,但钢瓶储存间的建筑设计应满足泄压要求,以保证分析室内人员安全。
危险性较大且面积较大的房间只设一个门是不安全的。
各装置设备、构筑物的平台一般都有2个以上的梯子通住地面,直梯、斜梯均可。有的平台虽只有1个梯子通往地面,但另一端与邻台用走桥连通,实际上仍有2个安全出口。一般来说,只有1个梯子是不安全的。例如某厂热裂化装置柴油汽提塔着火,起火时就封住下塔的直梯,造成3人伤亡。事后,增设了1m长的走桥使汽提塔与邻近的分馏塔连接起来。
为控制可燃液体泄漏引发火灾影响的范围,对装置内地坪竖向设计和含可燃液体的污水收集和排污系统设计提出原则要求。同时,对受污染的消防水收集和排放提出原则要求。