电动四通分料阀的详细信息
一、用途:
D/S/Y/QFC-a电动、手动、电液动、气动三、四通分料阀是我厂根据市场需要,与有关设计院合作开发的系列产品,是物料输送系统中控制物料快速换向的理想设备,广泛应用于建材、冶金、矿山、轻工、粮食等行业固体颗粒和粉状物料输送。
二、特点:
D/S/Y/QFC-a电动、手动、电液动、气动三、四通分料阀采用钢板焊接结构、具有体积小、重量轻、阻力小。采用电动推杆电液动、推杆气动推杆驱动,可以快速切换物料流向。
三、工作原理:
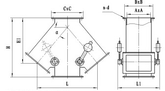
D/S/Y/QFC-a电动、手动、电液动、气动三、四通分料阀主要由阀体、阀轴、阀板、曲柄机构、电动推杆(电液动推杆、气动推杆或手动机构)等组成。工作时,电、液动推杆的直线往复运动,(手动由外力)通过曲柄带动阀轴、阀板作角度的摆动,从而达到控物料流向,分送物料之目的。
四、型号编制说明:
DFC电动(手动、电液动与气动)三通分料阀分为Ⅰ、Ⅱ型,均带导向板,Ⅰ型为侧三通分料阀,Ⅱ型为正三通分料阀,四通分料阀分为ⅢⅣ型,均带导向板,Ⅲ型为二进二出,Ⅳ型为一进三出

适用介质:粉料、含尘固体颗粒
适用温度:≤350℃
电源电压:380V 50HZ
气源气压:0.4-0.6MPa