联系人:叶根胜
邮箱:282418466@qq.com
电话:13916234315
地址: 上海嘉定区育绿路253号
1 概述
该系列仪表采用交流采样技术,能分别测量电网中的电流、电压、功率、功率因数和电能等参数,可通过面板薄膜开关设置倍率。带RS-485通讯接口,采用Modbus或Profibus协议;也可将电量信号转换成标准的直流模拟信号输出;或带开关量输入/输出,继电器报警输出等功能。
2 型号说明

3 技术指标

4 产品规格
4.1 48型产品规格

4.2 72型产品规格


注:
1、J(继电器越限报警输出)与第二路开关量输出复用;
2、PZ72(L)-E3(4)多可带2路M(模拟量);
3、PZ72(L)-E在选配KC(2DI/2DO)功能时无脉冲信号输出端口;
4、PZ72(L)-E3(4)具备一路有功电能脉冲信号输出端口。
4.3 80型产品规格


注:
1、J(继电器越限报警输出)与第二路开关量输出复用;
2、PZ80(L)-E在选配KC(2DI/2DO)功能时无脉冲信号输出端口;
3、PZ80(L)-E3(4)在选配KC(4DI)功能时具备1路有功电能脉冲信号输出端口,在选配KC(2DI/2DO、5DI/2DO)功能时无脉冲信号输出端口;
4、PZ80(L)-AI3、AV3多可带3路模拟量输出。
4.4 96型产品规格


注:
1、J(继电器越限报警输出)与第二路开关量输出复用;
2、PZ96(L)-E3(4)在选配KC(4DI)功能时具备1路有功电能脉冲信号输出端口,在选配KC(2DI/2DO、4DI/2DO)功能时无脉冲信号输出端口;
3、PZ96(L)-AI、AI3、AV、AV3、F多可带3路模拟量输出,PZ96(L)-P3(4)、E3(4)多可带2路模拟量输出。
4.5 42型产品规格


注:
1、J(继电器越限报警输出)与第二路开关量输出复用;
2、PZ42(L)-AI、AI3、AV、AV3、F多可带3路模拟量输出,PZ42(L)-P3(4)、E3(4)多可带4路模拟量输出;
3、PZ42L-E4/H多可带2路RS485通讯接口,一路Modbus-RTU协议,另一路可设置。
4.6 96B型产品规格

注:
(1)“■”为标配功能,“□”为选配功能;
(2) PZ96B- E3(E4)带DO功能时不带脉冲输出功能。
5 外形及尺寸(单位:mm)

注:PZ96B-P3(P4/E3/E4)的进深为102,PZ96B-AI(AV/F)老产品的进深为127,具体详询厂家。
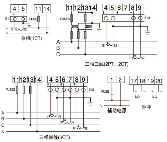
6 接线端子
●电流表

●电压表(频率表同单相电压表)

●功率表

● 电能表


注1:适用于单相电能表及开关量为8DI/2DO的场合;
注2:适用于选配8DI/2DO的场合。