联系人:张双
邮箱:2885039098@qq.com
电话:13916280434
地址: 上海嘉定区上海市嘉定区育绿路253号2幢4层
1 概述
ARD3M 智能电动机保护器(以下简称保护器)适用于额定电压至 660V 的低压电动机 回路,集保护、测量、控制、通讯、运维于一体。其完善的保护功能确保电动机安全运行, 带有逻辑可编程功能,可以满足多种控制方式。可选配不同通讯模块适应现场通讯需求。
该产品采用分体式结构,由主体、显示单元、互感器和选配的通讯模块组成,可适应各种柜体的安装。产品执行标准:——GB 14048.4-2010 低压开关设备和控制设备第 4-1 部分:接触器和电动机起动器机电式接触器和电动机起动器(含电动机保护器);——JBT 10736-2007 低压电动机保护器。
2 产品特点
■辅助电源类型可选,AC220V 电源模块支持电源范围AC85-265V/DC100-300V,AC380V电源模块支持电源范围 AC/DC100-415V。
■ 支持基波和全波电力参数测量(U、I、P、Q、S、PF、F、EP、EQ),电压及电流不平衡度,电压、电流正序、负序、零序分量,三相电压相角,剩余电流,电压、电流 2-63 次分次谐波测量,分次谐波含有率及总谐波畸变率。
■保护功能包括过载反时限、过载定时限、接地、起动超时、漏电、欠载、断相、堵转、 阻塞、短路、溢出、不平衡(电流、电压)、过功率、欠功率、过压、欠压、相序、温度、tE 时间、外部故障、起动次数限制、运行时间报警、故障次数报警。
■ 10 路可编程 DI 输入,默认采用内置 DC24V 电源,也可选择外部有源湿接点(详见选型表格)。
■ 6 路可编程 DO 输出,满足直接起动,星—三角起动,自耦变压器起动,等多种起动方式,可通过通讯总线实现主站对电动机的“起/停”。
■ 可选抗晃电功能:支持晃电立即再启动、失压重起动。
■ 标配 2 路 MODBUS_RTU 通讯,有 PROFIBUS DPV1、以太网、PROFINET 通讯模块供选配。
■ 可选配 2 路 DC4-20mA 模拟量输出接口,与 DCS 系统相接,可实现对现场设备的监控。
■具有故障记录、起动记录、停车记录、DI 变位记录和再起动记录等各类事件记录,可看多项电机运维信息,同时可记录电机运行 1-5 小时运行记录。
■ 显示界面支持中/英文液晶显示。
■ 支持 U 盘导出波形记录与事件记录数据,可使用 EXCEL 打开导出事件记录文件。
■ 选配彩色液晶显示时可加配 WIFI 功能,通过手机或电脑连接该 WIFI 查看、设置电机保护器相关数据。
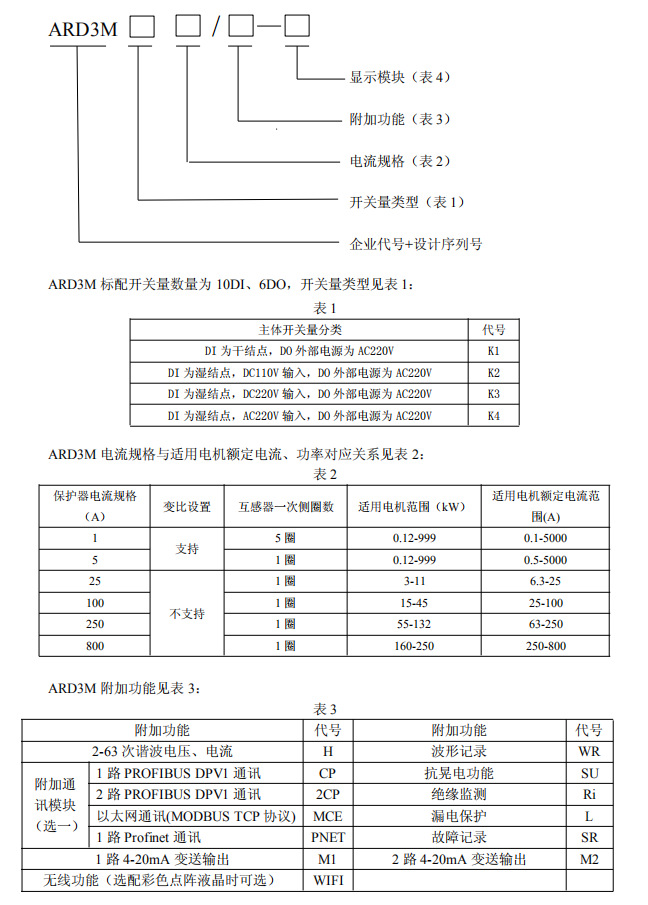
3 产品选型

4 技术指标ARD3M 技术指标见表 5
