联系人:林先生
邮箱:1973942589@qq.com
电话:13798565987
地址: 广东深圳市福田区华强北佳和大厦B座702
| 品牌 |
SM |
型号 |
SM7302 |
| 类型 |
驱动IC |
材质 |
/ |
| 规格 |
/ |
安装方式 |
/ |
| 额定电压 |
/ |
使用环境 |
/ |
| 额定电流 |
/ |
适用范围 |
/ |
产品描述:
SM7302是一款内部集成功率管的高效的PWM-LED恒流驱动控制芯片。
恒流精度可达到全电压范围±3%,芯片直接从DRAIN 输入电压供电,
不需要辅助绕组提供电源。
SM7302 主要适用于高亮的BUCK LED驱动器。
无需任何的补偿元件,即可实现恒定的输出电流。
外围元件少,方案成本低,具有LED输出开短路保护特性。
产品特点:
550V 单芯片集成工艺;
宽电压85Vac~265Vac 输入;
恒流精度±3%;
效率高达90%@220Vac 以上;
内置自恢复输出开短路保护;
非隔离拓扑结构;
低成本BUCK 驱动方案;
无需补偿元件;
外围器件少,BOM 成本低;
封装形式:SOP8、DIP8;
应用领域:
T8、T5 灯管
LED球泡灯
LED信号灯和装饰灯
LED 球泡灯
LED 信号灯和装饰灯
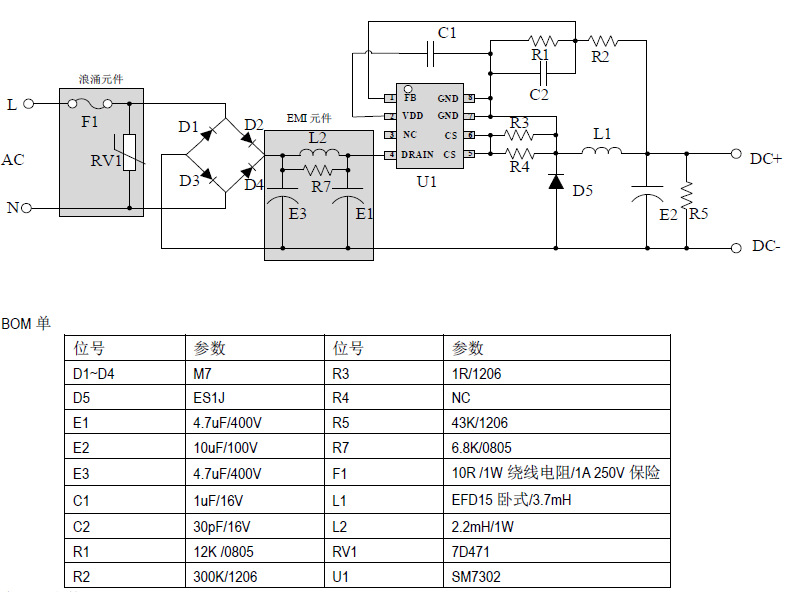
SM7302典型规格:

SM7302 SOP8封装(9-15W)180mA LED驱动照明方案:

温馨提示:产品价格仅供参考,欢迎在线或来电咨询!
若不经协商直接下单,恕不发货!谢谢!
方案资料申请加QQ:825204258