联系人:刘先生
邮箱:tg@xdssemi.com
电话:13302472631
地址: 广东深圳市坪山区坪山街道4044号坪山投资大厦9层905号房
| 型号 |
TX4165 |
封装外形 |
扁平型 |
| 数量 |
100000 |
封装 |
QFN4X4-20 |
| 厂家 |
芯鼎盛技术 |
|
DC-DC降压芯片TX4165芯鼎盛dcdcPWM电源管理同步整流芯片
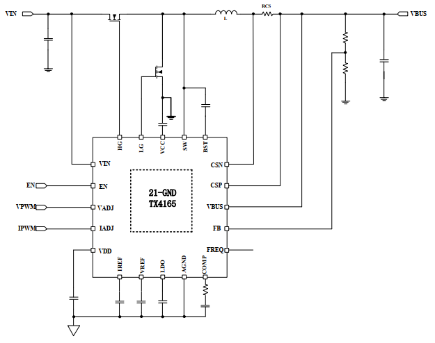
TX4165是PWM控制器,专为输入电压为4.5V至32V(大36 V) 的同步Buck DC / DC应用而设计。
TX4165采用恒定导通时间控制。根据FREQ引脚和GND引脚之间的电阻值不同,可以将开关频率设置为150kHz, 300kHz, 600kHz或1200kHz。
该器件还具有可编程的软启动功能,并提供各种保护功能,包括逐周期电流限制,输入欠压锁定(UVLO),输出过压保护(OVP),输入过压保护,热关机和 输出短路保护等。
TX4165提供电压控制回路,恒定电流环路和热调节环路。
TX4165参数:
输入电压 :4.5V - 36V
输出电压 :5-15V
输出电流 :10 A
静态电流 :5V/55mA
开关频率:150KHz、300KHz、600KHz、1.2MHz
驱动方式:变频
整流方式:同步整流
封装:QFN4X4-20
典型应用:

封装:
