联系人:缪阳扬
邮箱:chenzheng@email.acrel.cn
电话:18761503718
地址: 江苏无锡市江阴市江苏省江阴市南闸街道东盟路5号
| 品牌 |
安科瑞 |
型号 |
ADW400-D36-1S |
| 类型 |
电子式电能仪表 |
加工定制 |
否 |
| 电源性质 |
交流 |
结构形式 |
整体式 |
| 接线方式 |
直接接入 |
|


ADW400环保监测模块主要用于计量低压网络的三相有功电能,同时可选择四个回路的电流输入,具有RS485通讯和470MHz无线通讯功能,方便用户进行用电监测、集抄和管理。可灵活安装于配电箱内,实现对不同区域和不同负荷的分项电能计量,统计和分析。



ADW400尺寸图:

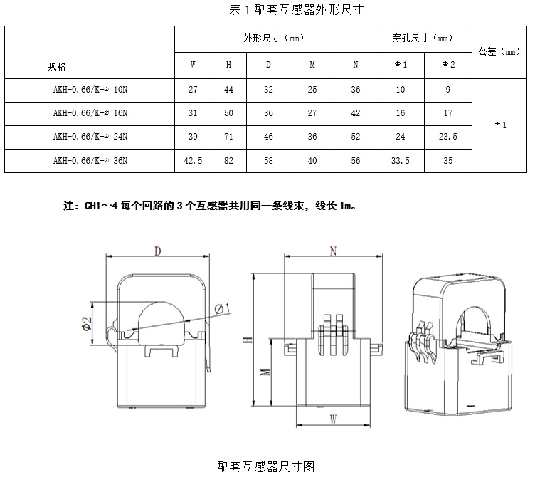
配套互感器外形尺寸:


