联系人:徐经理
邮箱:18168389807@qq.com
电话:18168389807
地址: 中国 北京 西城区天津市和平区拉萨道三号
概述:
CBK系列齿轮泵属于高压齿轮泵,是液压系统中的液压动力元件。它采用了承载能力高的DU轴承、高强度铝合金壳体结构。具有压力高、转速范围大、排量规格多、体积小、重量轻、工作可靠、维修方便、寿命长等特点。作为动力源广泛用于工程机械、起重运输机械和矿山机械等液压系统中。
型号说明:
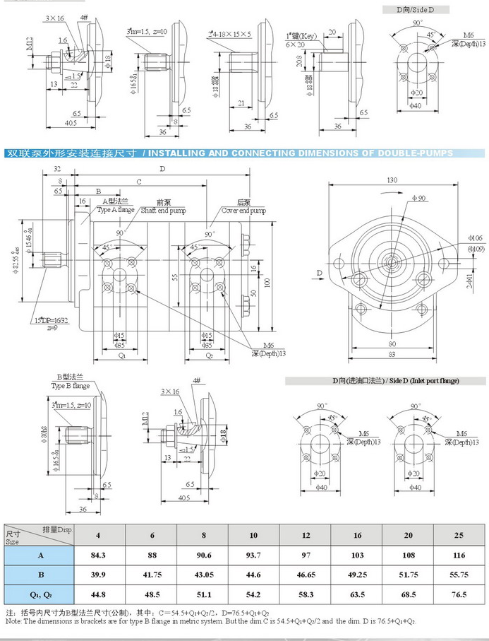
尺寸图:
无锡乾锐锋生产供应石油机械高压齿轮泵,挖掘机齿轮泵,钩机齿轮泵,推土机齿轮泵,铲车齿轮泵,装载机齿轮泵,翻斗车齿轮泵,自卸车齿轮泵,建筑机械用齿轮泵,矿山机械用齿轮泵,拖拉机大排量齿轮泵,拖拉机大排量油泵,拖拉机齿轮泵,起重机油泵(齿轮泵),注塑机油泵,注塑机叶片泵,压铸机液压油泵,压铸机油泵,压铸机叶片泵,汽车叶片泵,汽车动力转向泵,运输设备用齿轮泵,起重机高压齿轮泵,起重设备用齿轮泵,专用设备齿轮泵,机床用齿轮泵,专用液压系统,升降(举升)设备用齿轮泵,汽车吊专用齿轮泵,平地机齿轮泵,摊铺机齿轮泵,压路机齿轮泵,小松齿轮泵,小松液压油泵,卡特彼勒齿轮泵,卡特彼勒液压油泵,卡特装载机齿轮泵,卡特齿轮泵。
无锡乾锐锋液压生产销售:CB-FC齿轮泵(CB-FC齿轮油泵,CM-Fm齿轮马达,CB-FC油泵),2CB-Fc双联齿轮泵,CBF-E齿轮泵,CBF-F高压齿轮泵,CBT-F5齿轮泵,CBQL-F5齿轮泵,CBT-F4双联齿轮泵,CBG高压齿轮泵(CBG高压齿轮马达,CMG高压齿轮泵,CMG高压齿轮马达),CBT-F5高压齿轮泵(CBT-F5举升泵,CBT-F5汽车举升泵,CBT-F550高压齿轮泵,CBT-F563高压齿轮泵,CBT-F580高压齿轮泵,CBT-F5系列自卸车齿轮泵),CBFL-2080高压齿轮泵,CBFL-2100高压齿轮泵,CBFL-F80高压齿轮泵,CBFL-F100高压齿轮泵,CBFL-F2***高压齿轮泵,CB-Kp齿轮泵,CB-Kp齿轮泵,CB-Kp双联齿轮泵,CB-Kp三联齿轮泵,小松叉车齿轮泵,小松齿轮泵,小松叉车齿轮油泵,CBY高压齿轮泵,CBY齿轮油泵,CBY双联齿轮泵,CBY三联高压齿轮泵,工程机械专用齿轮泵,CB-B大排量齿轮泵,CB-B大排量油泵,PV2R叶片泵,PV2R高压叶片泵,高压低噪声叶片泵。液压油泵产品应用广泛
产品图片:





热油泵使用之前必需检查各个部件,进出口的石棉垫要去掉,泵是否转动灵活。按照一定的顺序进行生产和使用,对开机前做好的预备工作,进步工作的使用效率。热油泵工作前,先将泵内布满液体,然后启动热油泵,叶轮快速滚动,叶轮的叶片驱使液体滚动,液体滚动时依赖惯性向叶轮外缘流去,同时叶轮从吸入室吸进液体,在这一过程中,叶轮中的液体绕流叶片,在绕流运动中液体作用一升力于叶片,反过来叶片以一个与此升力大小相等、方向相反的力作用于液体,这个力对液体做功,使液体得到能量而流出叶轮,这时液体的动能与压能均增大。
CBY3050/2010-1FL,CBY3050/2016-1FL,CBY3050/2025-1FL,CBY系列齿轮泵 厂家 价格
CBY3050/2032-1FL,CBY3050/2040-1FL,CBY3040/2010-1FL,CBY系列齿轮泵 厂家 价格
CBY3040/2016-1FL,CBY3040/2025-1FL,CBY3040/2032-1FL,CBY系列齿轮泵 厂家 价格
CBY2010/2010-2FL,CBY2016/2010-2FL,CBY2016/2016-2FL,CBY系列齿轮泵 厂家 价格
CBY2025/2025-2FL,CBY2025/2016-2FL,CBY2025/2010-2FL,CBY系列齿轮泵 厂家 价格
CBY2032/2025-2FL,CBY2032/2016-2FL,CBY2032/2010-2FL,CBY系列齿轮泵 厂家 价格
CBY2032/2032-2FL,CBY2040/2025-2FL,CBY2040/2016-2FL,CBY系列齿轮泵 厂家 价格L10VSO45DFR1/31R-PUC12NOO,L10VSO71DFR1/31R-PUC12NOO,柱塞泵
L10VSO100DFR1/31R-PUC12NOO,L10VSO140DFR1/31R-PUC12NOO,柱塞泵
L10VSO18DFR/31R-PUC12NOO,L10VSO28DFR/31R-PUC12NOO,柱塞泵
L10VSO45DFR/31R-PUC12NOO,L10VSO71DFR/31R-PUC12NOO,柱塞泵
L10VSO100DFR/31R-PUC12NOO,L10VSO140DFR/31R-PUC12NOO,柱塞泵
L10VSO18DFR1/31R-PWC12NOO,L10VSO28DFR1/31R-PWC12NOO,柱塞泵
L10VSO45DFR1/31R-PWC12NOO,L10VSO71DFR1/31R-PWC12NOO,柱塞泵PGP517B0330CD1L2NC3
PGP517B0360CD1L2NC3