电气防火限流式保护器 养老院线路短路保护

电气防火限流式保护器 养老院线路短路保护

价格 1,400.00
起订量 10㎡
货源所属商家已经过真实性核验
品牌 安科瑞
型号 ASCP200-20D
关键字
在线咨询 立即下单 留言询价 电话咨询
江苏安科瑞电器制造有限公司
通过真实性核验手机验证
主营:
仪表,电量互感器,电力系统解决方案

进入店铺全部产品

店内推荐

联系我们

联系人:徐经理

邮箱:chenzheng@email.acrel.cn

电话:18860995106

地址: 中国 江苏 无锡市江苏省江阴市南闸街道东盟路5号

产品详情
型号

ASCP200-20D

安装形式

串联

保护性质

限压型

额定电流

20A以下可设

  安科瑞 陈正

  1 概述

  ASCP200-20D 电气防火限流式保护器是安科瑞电气专门为了保护低压配电线路中短路、过载等问题研发,单相线路保护,额定电流 20A。可以有效克服传统断路器、空气开关和监控设备存在的短路电流大、切断短路电流时间长、短路时产生的电弧火花大,以及使用寿命短等弊端,发生短路故障时,能以微秒级速度快速限制短路电流以实现灭弧保护,从而能显著减少电气火灾事故,保障使用场所人员和财产的安全。ASCP200-20D 电气防火限流式保护器可以广泛应用于学校、医院、商场、宾馆、所、寺庙、文物建筑、会展、住宅、仓库、幼儿园、老年人建筑、集体宿舍、电动车充电站及租赁式商场商铺、批发市场、集贸市场、甲乙丙类危险品库房等各种用电场所末端干、支路的线路保护。

  2 功能特点

  ■ 短路保护功能。保护器实时监测用电线路电流,当线路发生短路故障时,能在 150 微秒内实现快速限流保护,并发出声光报警信号。

  ■ 过载保护功能。当被保护线路的电流过载且过载持续时间超过动作时间(3~60 秒可设)时,保护器启动限流保护,并发出声光报警信号。

  ■ 表内超温保护功能。当保护器内部器件工作温度过高时,保护器实施超温限流保护,并发出声光报警信号。

  ■ 组网通讯功能。保护器具有 1 路 RS485 接口,可以将数据发送到后台监控系统,实现远程监控。监控后台可以是安科瑞 Acrel-6000/B 电气火灾监控主机,也可以是安科瑞 Acrel-6000 安全用电管理云平台,或第三方监控软件或平台。

  3 技术参数

  4 安装与接线4.1 外形和尺寸ASCP200-20D 电气防火限流式保护器的外形尺寸如下图所示(单位 mm):

  4.2 安装方法ASCP200-20D 电气防火限流式保护器采用 DIN35mm 导轨安装,可以导轨安装在墙面上,也可以导轨安装固定于具有良好通风散热条件的配电箱内部。4.3 接线方法ASCP200-20D 电气防火限流式保护器的接线端子如下图所示:

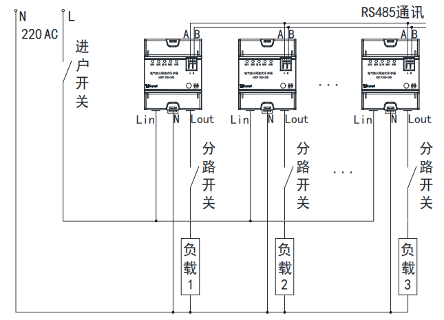
  在仪表中,底部端子为强电接线端子,Lin 为单相交流 220V 的 L 线(火线)进线端子,N 为零线端子,Lout 为单相交流 220V 的 L 线(火线)出线端子。保护器的进出线应根据保护器(或其前端断路器)的额定电流选择合适的线径。仪表正面端子为弱电信号端子,A、B 为 RS485 通讯端子,推荐采用 1~1.5mm2屏蔽双绞线连接(注:通讯信号端子接入需要区分 A、B)。ASCP200-20D 型电气防火限流式保护器的对外接线如下图所示:

  保护器额定电流 20A,一般接在进户开关后方,出线接单个负载;也可以单个保护器后方接多个负载(保证负载额定电流不超过 20A)。保护器可以采用壁挂式箱体集中安装,箱体内置风扇,易于散热。保护器之间可以通过 RS485接口通讯组网,组网后可以直接使用有线方式或者加装无线模块用无线方式将数据上传,通讯线缆推荐采用 2×1.5mm2的屏蔽双绞线。

售后服务

商家电话:
18860995106