| 型号 |
ZX-200 PLC+MZH-2020触摸屏 |
功能 |
高速度 高精度 稳定耐用 |
| 工作电压 |
220 |
产品认证 |
CE |
| 加工定制 |
是 |
产地 |
佛山 |
| 外形尺寸 |
咨询 |
厂家 |
铭志恒 |
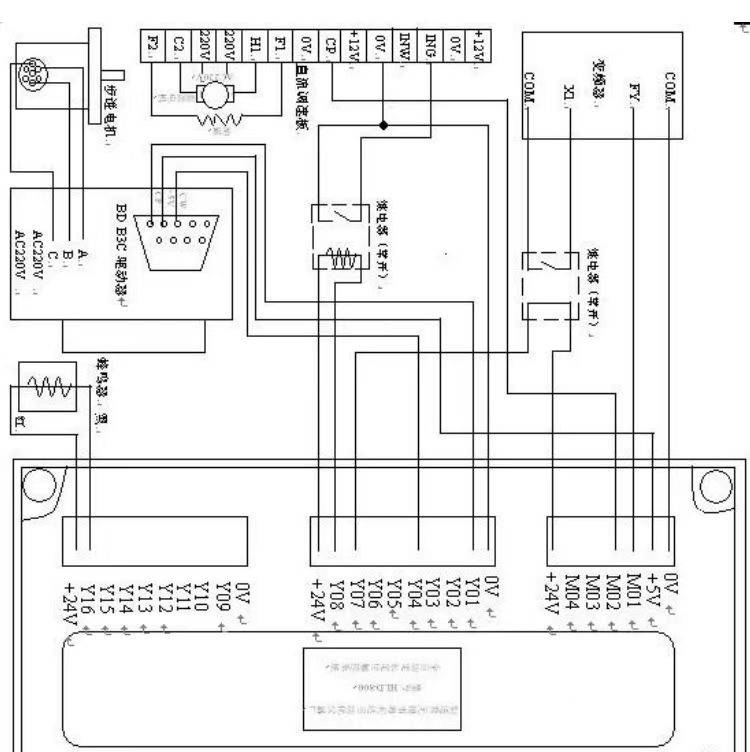
高速制袋机自动控制器 适用平口机R机热切机 单机全屏式双通道系统










每批数量:一批设定的个数,提前 5 个报警。单位:个
送料速度:伺服(步进)电机的加减速时间,设定越大,伺服(步进)电机起步越快。
打孔时间:打孔延时结束后,打孔电磁阀工作的时间。
长度设定:显示制袋所设定长度,单位:毫米(也可以当按键直接调节长度)。
主机速度:显示当前主机速度。
计数/清零:单批次累计到一批个数结束时,个数自动归零;按“计数/清零”键清零清个数。
批数/清零:单批次累计到一批个数结束时, 批数加“1”;按“批数/清零”键清零清个数。
总数/清零:个数每加一个,总数加“1”;按“总数/清零”键清零总数。
点进:在停止状态下,手动伺服(步进)电机正转。
点退:在停止状态下,手动伺服(步进)电机反转。





