ADL3000-KCH三相多功能电能计量表 智能导轨表 安科瑞厂家直销

ADL3000-KCH三相多功能电能计量表 智能导轨表 安科瑞厂家直销

价格 910.00
起订量 10㎡
货源所属商家已经过真实性核验
品牌 安科瑞
型号 ADL3000-KCH
关键字
在线咨询 立即下单 留言询价 电话咨询
安科瑞电子商务(上海)有限公司
通过真实性核验手机验证
主营:
智能网络电力仪表

进入店铺全部产品

店内推荐

联系我们

联系人:程志芳

邮箱:2885100901@qq.com

电话:18701808780

地址: 浙江杭州市杭州经济技术开发区2号大街22号十六街区商城2幢16

产品详情

    1概述
    ADL3000三相导轨式多功能电力仪表,是针对电力系统,工矿企业, 共用设施的电力监控及能耗统计、管理需求而设计的一款智能仪表,产品具有 精度高、体积小、安装方便等优点。集成全部电力参数测量及全面的电能计量 及考核管理,并提供一路剩余电流检测及21次谐波内的总谐波测量。带有开 关量输入和继电器输出可实现“遥信”和“遥控”功能。带有RS485通信接 口,采用MODBUS-RTU协议。该电力仪表可广泛应用于各种控制系统, SCADA系统和能源管理系统中。
    2型号说明


    3功能说明


    4技术参数


    5外形尺寸(单位:mm)


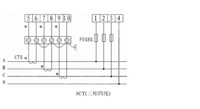
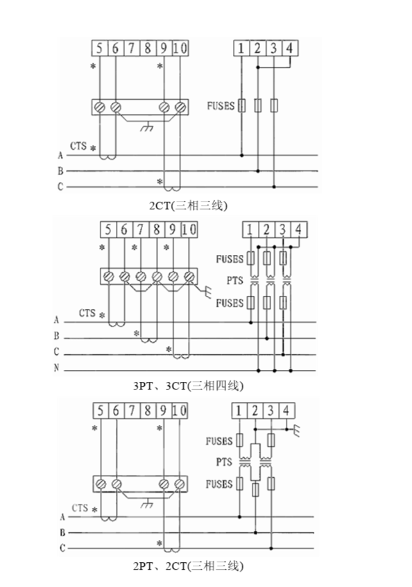
    6接线与安装

    6.1电压、电流信号端子


    6.2开关量输入/输出端子


    开关量输出为继电器输出,可通过上位机远程控制,实现“遥控”功能。 开关量输入是采用湿接点开关信号输入方式,仪表内部配备+12V的工作 电源,无须外部供电。当外部接通或断开时,经过仪表开关输入模块采集其接 通或断开信息并通过仪表本地显示。开关量输入不仅能够采集和显示本地的开 关信息,同时可以通过仪表的RS485实现远程传输功能,即“遥信”功能。
    6.3电源端子、剩余电流信号端子、RS485通讯端子、脉冲输出端子

售后服务

商家电话:
18701808780