联系人:程志芳
邮箱:2885100901@qq.com
电话:18701808780
地址: 浙江杭州市杭州经济技术开发区2号大街22号十六街区商城2幢16
1 概述
随着数据中心的迅猛发展,数据中心的能耗问题也越来越突出,有关数据中心的能源管理和供配电设计已经成为热门问题,高效可靠的数据中心配电系统方案,是提高数据中心电能使用效率,降低设备能耗的有效方式。要实现数据中心的节能,首先需要监测每个用电负载,而数据中心负载回路非常的多,传统的测量仪表无法满足成本、体积、安装、施工等多方面的要求,因此需要采用适用于数据中心集中监控要求的多回路监控装置。
安科瑞公司AMC16Z 系列直流精密配电监控装置是专门针对于数据中心服务器电源管理设计的测量装置。该装置设计小巧,能够对 A+B 两路进线和 96 路出线的全电参量参数、输入输出开关及防雷器状态等实时监测,所有测量通道的告警阈值均可单独设定,出线越限事件立即触发系统声光告警,在传统仪表的体积上实现了监控回路的高度集成。
2 产品型号
3 技术参数
直流进线


直流出线


注:直流进线和出线模块的二次侧输入电压为 5V,一次侧电流默认值为 50A。若霍尔传感器不同,客户可根 据实际使用情况,通过触摸屏设置变比。

注:AMC16Z-FDK 模块的二次侧输入电压为 5V,一次侧电流默认值为 50A。若霍尔传感器不同,客户可根
据实际使用情况,通过触摸屏设置变比。
有源开关量模块

无源开关量模块

扩展电源模块



4 外形结构


5 接线端子
5.1 AMC16Z-ZD


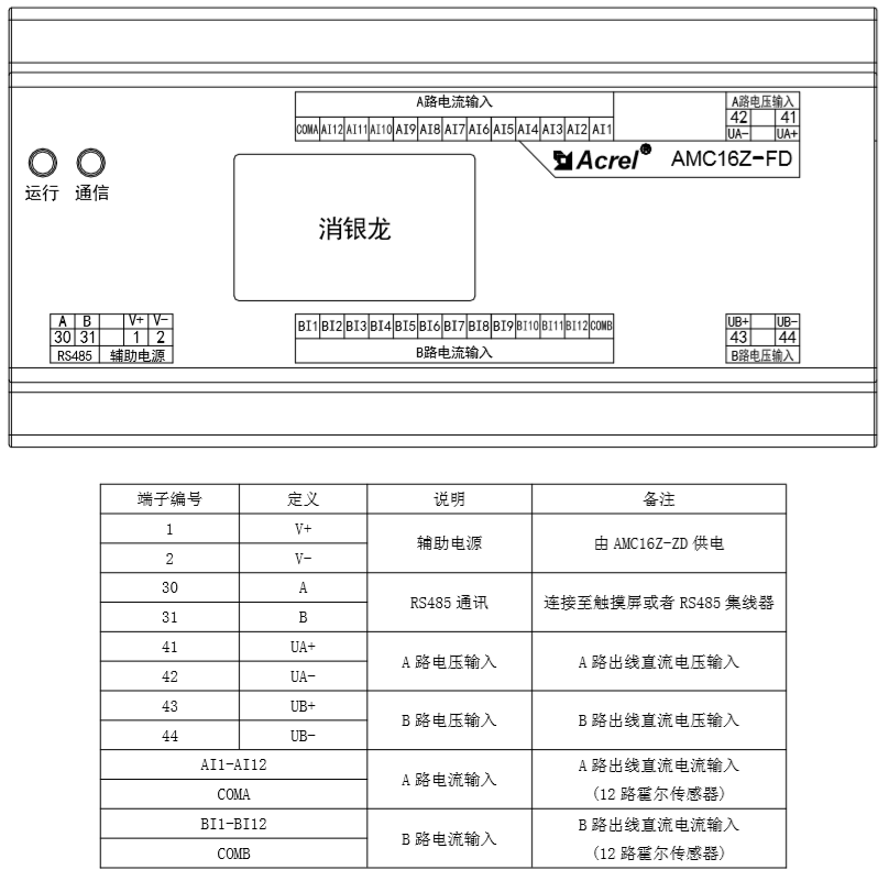
5.2 AMC16Z-FD

5.3 AMC16Z-FDK24

5.4 AMC16Z-FDK48


5.5 AMC16Z-KA

5.6 AMC16Z-KD


5.7 AMC16Z-DC48V


5.8 AMC16Z-DC240V/336V
6 通讯协议 本协议规定了 AMC16Z 系列交流精密配电监控装置与数据终端设备进行数据交换的物理连接和通讯协议,其协议方式类同 Modbus_RTU 通信规约