联系人:谢洛阳
邮箱:atomicn@foxmail.com
电话:13776361401
地址: 江苏苏州市昆山市江苏省苏州市昆山市成功路168号
| 型号 |
KYW400A |
加工定制 |
是 |
| 重量 |
约3.5 |
|

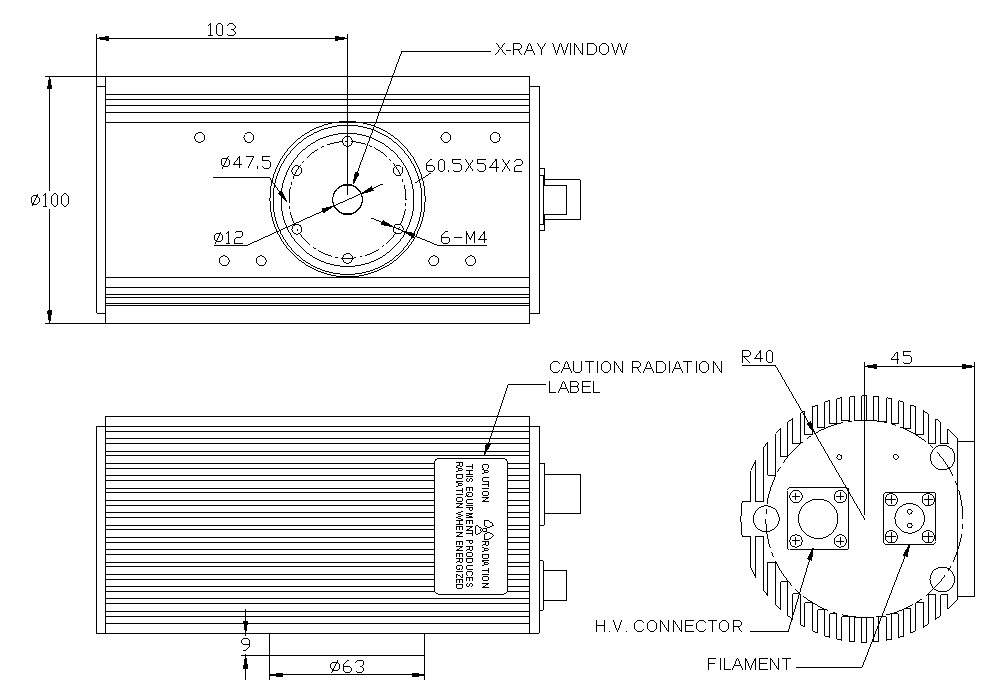
KYW400A铝合金系列
KYW400A型X射线管是一种低能多用途侧窗型X射线管。采用铝合金散热器做外壳,散热面积增加数倍,极大提高散热能力。金属外壳内衬铅;内灌绝缘油用于高压绝缘和冷却。 此类X射线管阳极接高压,阴极接地。该类X射线管可以替代进口同类产品在相应的仪器上使用。
KYW400A 型X射线管 广泛应用于RoHS检测,X荧光分析,X射线测厚,密度分析,X射线成像术,在线流程控制等需要X光源的科研领域和工业部门。

应用范围:
荧光分析
技术参数:
| 阳极电压 | 50kV | 铍窗厚度 | 200μm (100μm,玻璃窗可选) |
| 阳极电流 | 0-1mA | 靶 材 | W,Mo,Rh,Ag(其它靶材可选) |
| 功率 | 50W | 冷却方式 | 风冷,风量大于150CFM |
| 焦点尺寸 | 1mm (100μm可选) | 表面温度 | 低于55℃ |
| 灯丝特性 | 50kV/1mA If≈ 1.7A | 接地方式 | 阳极接正高压,阴极接地 |
| 灯丝电压 | ≈2.5V | 尺寸 | Ф100x182 |
| X光辐射角 | 20° | 重 量 | 约3.5kg |

外形尺寸:

