联系人:谢洛阳
邮箱:atomicn@foxmail.com
电话:13776361401
地址: 江苏苏州市昆山市江苏省苏州市昆山市成功路168号
| 型号 |
KYW2000AX |
加工定制 |
是 |
| 重量 |
约2.2 |
|

KYW2000AX细焦斑系列
KYW2000AX型X射线管是一种低能多用途侧窗型X射线管。它在KYW200AX基础上对封装和管芯进一步改进升级。采用不锈钢外壳内衬铅;内灌绝缘油用于高压绝缘和冷却。此类X射线管阳极接高压,阴极接地。该类X射线管可以替代进口同类产品在相应的仪器上使用。
KYW2000AX 型X射线管 广泛应用于RoHS检测,X荧光分析,X射线测厚,密度分析,X射线成像术,在线流程控制等需要X光源的科研领域和工业部门。


应用范围:
技术参数:
| 阳极电压
|
50kV
|
铍窗厚度
|
200μm (100μm,玻璃窗可选)
|
|
阳极电流
|
0-1mA
|
靶材
|
W,Mo,Rh,Ag(其它靶材可选)
|
|
功率
|
50W
|
冷却方式
|
风冷,风量大于150CFM
|
|
焦点尺寸
|
100μm
|
表面温度
|
低于55℃
|
|
灯丝特性
|
50kV/1mA If≈ 1.7A
|
接地方式
|
阳极接正高压,阴极接地
|
|
灯丝电压
|
≈2.0V
|
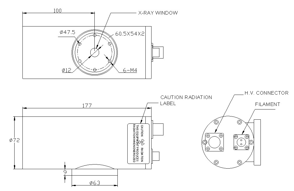
尺寸
|
Ф72x177
|
|
X光辐射角
|
20°
|
重量
|
约2.2kg
|
外形尺寸:

