立式液下循环泵 YLX450-65 喷漆循环泵

立式液下循环泵 YLX450-65 喷漆循环泵

价格 900.00
起订量 10㎡
货源所属商家已经过真实性核验
品牌 惠沃德
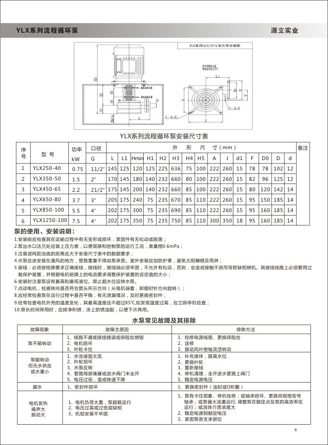
型号 YLX450-65
关键字
在线咨询 立即下单 留言询价 电话咨询
惠州沃德泵业有限公司
通过真实性核验手机验证
主营:

进入店铺全部产品

店内推荐

联系我们

联系人:柴增根

邮箱:1302598114@qq.com

电话:18218969697

地址: 广东惠州市惠州市惠城区

产品详情
型号

YLX450-65

工作原理

离心

叶轮数目

单级

加工定制

材质

铸铁

  供源立立式涂装设备泵YLX450-65泵液下循环泵2.2kw电动UV喷漆用泵

  供源立立式流程泵YLX450-65

源立牌YLX450-65涂装设备前处理流程循环泵无轴封无漏水

型号:YLX450-65

流量:28m3/h

扬程:12m

功率:2.2kw

防爆电机

售后服务

商家电话:
18218969697