隔爆饮水机 自动控温 煤矿井下防爆饮水机电路图
隔爆饮水机 自动控温 煤矿井下防爆饮水机电路图

隔爆饮水机 自动控温 煤矿井下防爆饮水机电路图

价格 5,400.00元
起订量 10㎡
货源所属商家已经过真实性核验
品牌 煤机矿业
型号 齐全
在线咨询 立即下单 留言询价 电话咨询
山东煤机矿业设备有限公司
通过真实性核验手机验证
主营:
矿用湿式除尘风机、矿用防爆通风机、矿用气动风机、矿用暖风机

进入店铺全部产品

店内推荐

联系我们

联系人:李猛

邮箱:

电话:18554219234

地址: 山东泰安市泰山区高新技术开发区

产品详情

煤矿井下防爆饮水机 矿用防爆热饭饮水机 矿井防爆饮水机 矿用防爆饮水机 煤矿用防爆饮水机 矿用防爆饮水机价格 矿用防爆饮水机厂家 矿用防爆本安型饮水机 矿用井下防爆饮水机 井下防爆饮水机 防爆矿用饮水机 隔爆饮水机

煤矿工人下井一次非常不容易,所以工人下井一般就不上来,吃喝拉撒都在里面,所以喝上热水吃上热饭对于煤矿工人来说显得弥足珍贵。矿用防爆(热饭)饮水机可以安装在煤矿井下井底车场,可以为一线工人提供干净的热水和热饭,为工人的健康提供的保障。

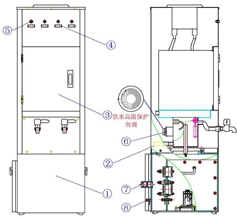
  1、下图是矿用防爆饮水机示意图

  示意图说明: 1.隔爆腔2.主动式红外探测器3.热饭箱4.状态显示5.电源开关6.水箱7.电缆引入装置8.外接地

隔爆饮水机 自动控温 煤矿井下防爆饮水机电路图

  2、使用注意事项

  1)本产品在煤矿井下“严禁带电打开”。

  2)本饮水机为三相额定电压 127V,请勿接入其它电源!请从照明综保取电源。当报故障时,故障恢复后,bi须重启本饮水机才能正常工作。

  3)安装前认真阅读说明书,并做好常规防爆性能检查,注意工作电压与装置额定电压一致。 井下使用时饮水机水桶应选用具有防ji电措施的桶。

  4)导线引入或引出设备时应将电缆穿入密封圈、垫圈、压紧螺母,然后再进行压紧,不用的引入装置须用堵板压紧密封。

隔爆饮水机 自动控温 煤矿井下防爆饮水机电路图隔爆饮水机 自动控温 煤矿井下防爆饮水机电路图

隔爆饮水机 自动控温 煤矿井下防爆饮水机电路图

隔爆饮水机 自动控温 煤矿井下防爆饮水机电路图

隔爆饮水机 自动控温 煤矿井下防爆饮水机电路图

山东煤机矿业设备有限公司拥有多年的矿用设备生产经验,致力于解决煤矿工人的实际性难题,所生产的矿用防爆饮水机属矿用隔爆兼增安兼本质an全型饮水机,全部符合煤矿an全标准,欢迎广大客户朋友莅临指导和咨询合作。

商家电话:
18554219234