安科瑞ADW200-D16多回路计量模块 复费率电能统计

安科瑞ADW200-D16多回路计量模块 复费率电能统计

价格 1,960.00
起订量 10㎡
货源所属商家已经过真实性核验
品牌 安科瑞
型号 ADW200-D16/4S
关键字
在线咨询 立即下单 留言询价 电话咨询
安科瑞电气股份有限公司
通过真实性核验手机验证
主营:
电力监控与保护,环保用电,电能计量,EMS平台及解决方案

进入店铺全部产品

店内推荐

联系我们

联系人:周润连

邮箱:3007723194@qq.com

电话:13482141563

地址: 中国 上海 嘉定区上海市嘉定区育绿路253号

产品详情
品牌

安科瑞

型号

ADW200-D16/4S

  安科瑞ADW200-D16多回路计量模块 复费率电能统计

  一、产品概述

  ADW2xx 系列导轨式多回路电力仪表主要用于多个三相回路的全电参量测量,最多可同时接入四个三相回路的电流输入。可直接或间接测量电压电流、功率、功率因数、相角、不平衡度、谐波等参数。

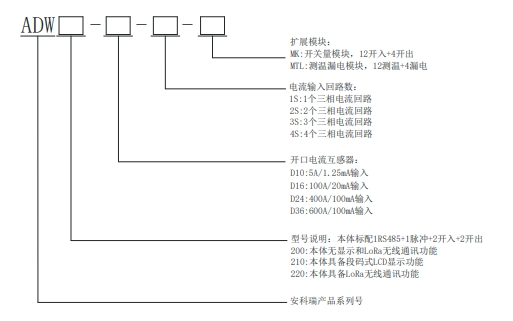
  二、产品型号

  注:

  1.可选择外置吸盘天线,标配线长 2 米。

  2.扩展功能模块最多可同时选配 MK+MTL+AWT 无线通讯模块(见 3.1 章节无线扩展模块任选其一)。

  3.建议 AKH-0.66/K-? 10N 的安放位置与一次侧互感器的间距保持在 1 米以上。

  4.漏电流互感器为建议型号。

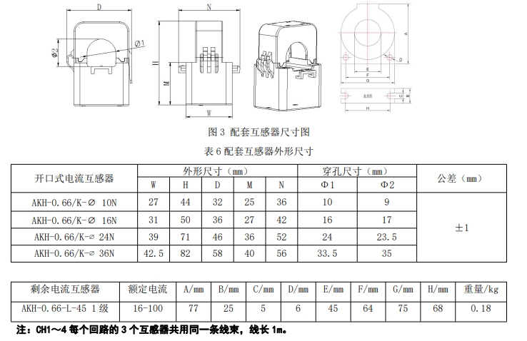
  三、配套互感器型号

  四、产品功能及技术参数

  具体功能如下:

  ? N(1、2、3、4)路三相回路全电参量测量,电流互感器外置;

  ? 监测三相电压/电流、零序电流、频率;

  ? 监测三相功率、总功率(有功、无功、视在);

  ? 监测三相功率因数、总功率因数;

  ? 监测电压/电流相角、电压/电流不平衡度;

  ? 监测电压、电流总谐波及 2-31 分次谐波;

  ? 当月和上月的电压、电流、功率极值记录;

  ? 电流、功率需量和实时电流、实时功率需量;

  ? 200 条事件记录,记录 DIDO 的动作情况;

  ? 支持过压、过流、断相、DI 联动等报警输出;

  ? 4 时区 14 时段的费率设置;

  ? 四象限电能,12 个月复费率电能统计;

  ? 31 天四象限和复费率电能冻结,正反向电能计量;

  ? 两路开关量输入、两路开关量输出、RS485 通讯、有功脉冲输出(可切换对应回路)。可通过其 RJ45 接口扩展下列辅助功能:

  ? (MK) 12 路开关量输入+4 路开关量输出;

  ? (MTL) 12 路外置 NTC 温度测量+4 路剩余电流测量(漏电流);

  ? (AWT100-2G) 2G 无线通讯

  ? (AWT100-4G) 4G 无线通讯

  ? (AWT100-NB) NB-IoT 无线通讯

  ? (AWT100-LoRa) LoRa 无线通讯

  ? (AWT100-LW) LoRaWAN 无线通

  五、主体技术参数

  六、产品外观及安装尺寸

  七、配套互感器及外形尺寸

  八、安装说明

  模块连接用网线长度推荐:

  ㈠、模块均紧密排列装配时;

  ①、与无线模块 AWT100 之间的网线长度推荐 20cm;

  ②、其他模块之间连接用网线长度推荐 15cm;

  ㈡、模块分散装配时:需根据客户现场实际安装距离自行确定长度;

  ㈢、按照连接顺序,最靠近主体的模块为定义为模块;

  安科瑞ADW200-D16多回路计量模块 复费率电能统计

售后服务

商家电话:
13482141563