联系人:刘飞
邮箱:2705845068@qq.com
电话:13082506495
地址: 江苏常州市天宁区青龙路99号美吉特
| 型号 |
LMD-D40XYT |
类型 |
便携式 |
| 加工定制 |
是 |
厂家 |
德杜 |

LMD-D40XYT双向激光测径仪

1、激光扫描,非接触式测量,对被测物无损伤。
2、双向二维测量技术,能判断线材外型的圆整度。
3、采用ARM处理器和新型高速数字处理技术,速度快,精度高,性能稳定可靠。
4、升级控制功能,精度更高、适应更广,PID、比例...各种控制方式可选。
5、升级通讯功能,提供modbus协议,支持多机通讯,方便与PLC或PC机进行通讯和组网。
6、升级报警功能,上下差分别开关信号输出,报警设置更灵活!
7、可配备长达200米距离的远端显示器。
8、具有精度高、性能可靠、操作简便等优点。

主要用于通讯电缆、塑胶线、电力电缆、光纤、漆包线、铝塑管、钢材、纤维等各类管材、棒材、线材的外径测量,在线检测和离线检测均可,并能实现自动反馈控制以及与电脑的联机通讯。


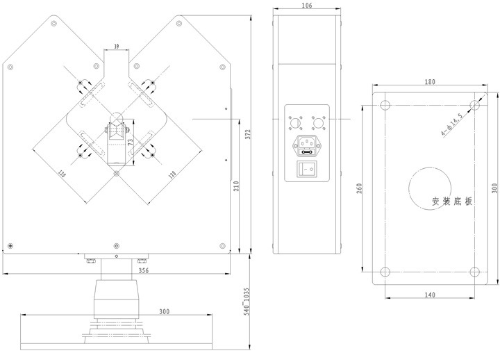
尺寸图:


