联系人:朱经理
邮箱:719542908@qq.com
电话:16650980999
地址: 中国 河南 鹤壁市河南省鹤壁市
本公司是以制造、回收、维修大型矿山提升设备,电器成套自动化控制系统为主的科研型高科技企业。主要销售JTK、JTP、JTPB、JK、JKB、JKM、JKMD型系列矿用提升绞车、矿井提升机、多绳摩擦式提升机、JZ型凿井绞车及矿山各种成套设备及配件。

2米变频绞车的优势有以下四点:
1、故障少,维护费用低;
2、节能效果显著;
3、性能高。
4、操作简单。
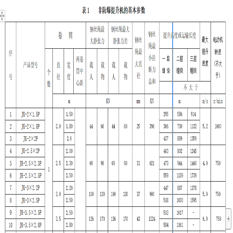
下图是2米变频绞车技术参数:
以上数据仅供参考!