联系人:郑经理
邮箱:1140431998@QQ.com
电话:19112689108
地址: 重庆九龙坡区九龙坡区蟠龙大道68号B区129号
DC600X-16Q电动控制阀
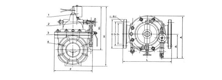
【水力电动控制阀结构特点和用途】
水力电动控制阀由主阀、电磁导阀、针阀、球阀、微形过滤器和压力表组成水力控制接管系统。通过电磁导阀可以实现对阀门开启和关闭的遥控。加装附加装置后,可控制开启和关闭的速度。
本产品利用导阀控制阀门的开启和关闭,节省能源。可代替其它阀门大型电动装置。
本系列阀门产品广泛用于高层建筑、生活区等供水管网系统及城市供水工程。

【水力电动控制阀工作原理】
当阀门从进口端给水时,水流流过针阀进入主阀控制室,当电磁导阀打开时,控制室内的水经电磁导阀、球阀流出。球阀开度大于针阀开度,主阀控制室内压力很低,主阀处于全开状态。
当电磁导阀关闭时,主阀控制室的水不能流出,控制室升压,推动膜片关闭主阀。

【水力电动控制阀主要技术参数】
| 公称压(Mpa) | 壳体试验压力(MPa) | 密封试验压力(MPa) | 适用介质 | 介质温度(℃) |
| 1.0 | 1.5 | 1.1 | 水 | 0-80 |
| 1.6 | 2.4 | 1.76 | ||
| 2.5 | 3.75 | 2.75 |
【水力电动控制阀主要零件材料】
| 零件名称 | 零件材料 |
| 阀体 阀盖 | WCB |
| 阀座 阀盘 | 铜合金 |
| 密封圈 O型圈 | 丁腈橡胶 |
| 阀杆 | 2Cr13 |
| 弹簧 | 50CrVA |
| 针型阀 | 铜合金 |
| 球阀 | 铜合金 |
| 浮球阀 | 铜合金 |
| 微型过滤器 | 不锈钢 |
